raybet押注 寻求技术支持

2 sc0115t

最小的IGBT栅极驱动器,适用于90kw - 500kw逆变器,SCALE-2+技术,适用于1200v IGBT驱动器的原电解决方案,高级主动夹持或SSD

雷电竞靠谱吗
交流电机图标
电机控制图标
伺服电机图标
太阳图标
工业图标
过滤器 过滤产品
隐藏的过滤器
过滤产品
显示1 - 22个产品
产品部分
产品
数据表
IGBT电压等级
通道数
保形涂层吗?
驱动方式
栅极峰值电流(最大)
栅极关断电压
隔离技术
接口类型
保护功能
隔离型
逻辑输入电压
主要/外围
最大开关频率
选择信息
栅极接通电压
支持的模块类型
支持拓扑雷竞技官网网站
功率-输出/通道(最大)
并联支持吗?
供电电压(类型)
时间-产量下降
时间-产量上升
技术
数据表 查看PDF
IGBT电压等级 1200 V
通道数 2
保形涂层吗? 没有
驱动方式 Direct-Independent
栅极峰值电流(最大) + 15
栅极关断电压 ——8.5 V
隔离技术
接口类型
保护功能 Adv主动夹紧,短路,UVLO(秒侧),UVLO(pri侧)
隔离型 钢筋
逻辑输入电压 5
主要/外围 N/A
最大开关频率 50.0千赫
选择信息 保形涂层版本2SC0115T2A0C-12
栅极接通电压 + 15.0 V
支持的模块类型 IGBT, n通道MOSFET
支持拓扑雷竞技官网网站 2级电压源,3级np -箝位- 1型,3级np -箝位- 2型,多级np -箝位
功率-输出/通道(最大) 1.4 W
供电电压(类型) 15 V
时间-产量下降 12 ns
时间-产量上升 6 ns
技术 SCALE-2 +
数据表 查看PDF
IGBT电压等级 1200 V
通道数 2
保形涂层吗? 是的
驱动方式 Direct-Independent
栅极峰值电流(最大) + 15
栅极关断电压 ——8.5 V
隔离技术
接口类型
保护功能 Adv主动夹紧,短路,UVLO(秒侧),UVLO(pri侧)
隔离型 钢筋
逻辑输入电压 5
主要/外围 N/A
最大开关频率 50.0千赫
栅极接通电压 + 15.0 V
支持的模块类型 IGBT, n通道MOSFET
支持拓扑雷竞技官网网站 2级电压源,3级np -箝位- 1型,3级np -箝位- 2型,多级np -箝位
功率-输出/通道(最大) 1.4 W
并联支持吗? 没有
供电电压(类型) 15 V
时间-产量下降 12 ns
时间-产量上升 6 ns
技术 SCALE-2 +

产品详细信息

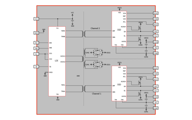
利用SCALE-2+集成电路和隔离变压器技术进行DC/DC电源和开关信号传输,新的2SC0115T IGBT驱动核心通过消除光耦合器的需求,提高了系统的可靠性和性能。IGBT驱动器核心的增强电气隔离针对工作电压为900 V的系统,这是典型的1200 V IGBT模块,符合IEC 60664-1和IEC 61800-5-1的PD2和OV II要求。2SC0115T IGBT门驱动核心支持高达2400 A的模块和高达50 kHz的开关频率。

  • SCALE-2+芯片组
  • 可以使用保形涂层
  • 可编程SSD和AAC功能
  • 2mm PCB的新引脚长度(2.54mm;3.1毫米;5.84毫米)
  • 用于手工,波峰和选择性焊接工艺的新引脚
  • 全无铅
  • 全部采用EMC改进技术
  • 100%向下兼容
  • 双通道驱动核心最高可达1200v
  • ±15A栅电流,+ 15v /- 6v
  • 最大1.2 W。每通道
  • 机载稳压电源
  • 软关机(SSD)或高级主动卡紧(AAC)
  • 高可靠性(元器件数量减少)一流的隔离技术
  • 部分放电测试隔离技术
  • 延迟时间<100 ns,最高可达50 kHz
  • 根据IEC 61800-5-1和IEC 60664-1,工作电压900V的隔离协调
  • -40°C至+105°C(105°C带降额)
  • 通过无铅认证
  • 电气和机械性能无变化
  • UL认可组件