DER-871 - 26w多输出电源用于使用InnoSwitch3-MX和innoswitchux芯片组的显示器和电器
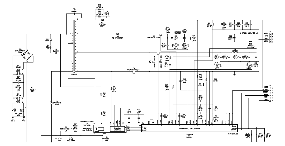
26 W多输出反激转换器(90 VAC - 265 VAC输入;5 V / 1a, 12 V / 420 mA CV输出和32 V - 40 V / 400 mA CC输出)使用innoux (IMX111U)和InnoSwitch3-MX (INN3465C)芯片组
26 W多输出反激转换器(90 VAC - 265 VAC输入;5 V / 1a, 12 V / 420 mA CV输出和32 V - 40 V / 400 mA CC输出)使用innoux (IMX111U)和InnoSwitch3-MX (INN3465C)芯片组
