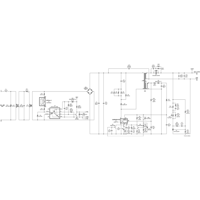
规格 设计类型 设计示例报告(DER) 拓扑 飞回来 VOUT 1 19.00 v vin(最小) 90 VIN(最大) 265 CV/CC 简历 效率 88.00% 孤立? 是的 输出数量 1 输出功率 45.00 w OVP? 是的 相关零件 LNK6777E Gerber文件 rd581gerber.zip