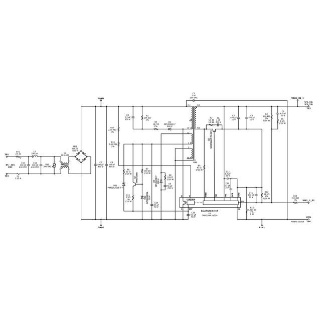
DER-551 - 54w双USB PD充电器采用InnoSwitch3-CP和Cypress CCGA控制器 54w双USB PD充电器,使用两个InnoSwitch3-CP (INN3266C-H210)切换ic和一个Cypress CCGA (CYPD4225)控制器 查看PDF 下载 雷电竞靠谱吗 产品 InnoSwitch3-CP
规范 设计类型 设计示例报告(DER) 拓扑结构 回扫 电压输出1 5.00 V 电压输出2 9.00 V 文(分钟) 85 马克斯(Vin)的 265 P(无载) 200.00兆瓦 简历/ CC 简历/ CC 效率 88.00% 孤立? 是的 输出数 2 输出功率 54.00 W OVP吗? 是的 相关的部分 INN3266C-H210 Gerber文件 der - 551 _gerber.zip