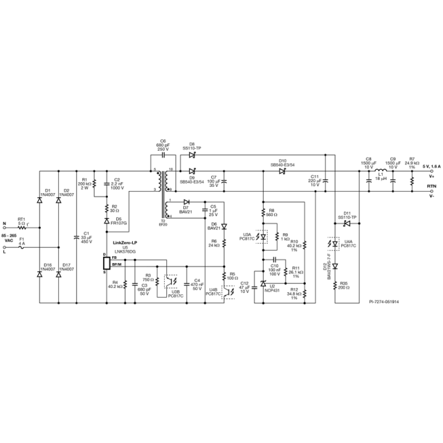
规范 设计类型 设计示例报告(DER) 拓扑结构 回扫 RoHS吗? 是的 电压输出1 5.00 V 文(分钟) 85 马克斯(Vin)的 265 简历/ CC 简历/ CC 效率 70.00% 输出数 1 输出功率 8.00 W 相关的部分 LNK576DG Gerber文件 rd417gerber.zip