DER-703 - 27w USB PD 3.0, 3.3 V- 11v PPS电源,采用InnoSwitch3-Pro和Weltrend WT6635P控制器
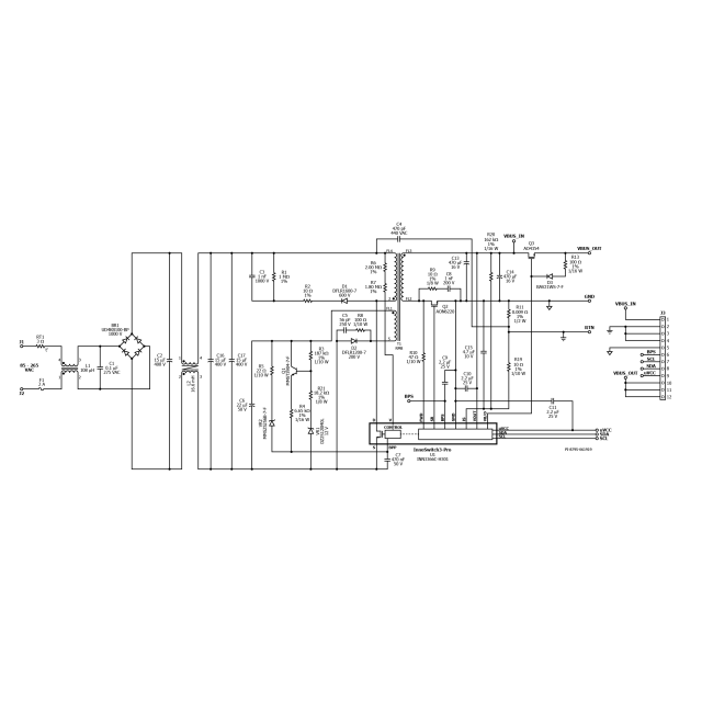
27w USB PD 3.0带PPS充电器(5v / 3a;9v / 3a;3.3 V - 11 V PPS输出)采用InnoSwitch3-Pro (INN3366C)和Weltrend (WT6635P) USB PD控制器
27w USB PD 3.0带PPS充电器(5v / 3a;9v / 3a;3.3 V - 11 V PPS输出)采用InnoSwitch3-Pro (INN3366C)和Weltrend (WT6635P) USB PD控制器
