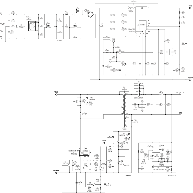
规范 设计类型 设计示例报告(DER) 拓扑结构 回扫 电压输出1 20.00 V 文(分钟) 90 马克斯(Vin)的 264 P(无载) 175.00兆瓦 简历/ CC 简历 效率 80.00% 孤立? 是的 输出数 1 输出功率 150.00 W OVP吗? 是的 PFC吗? 是的 相关的部分 PFS7526H Gerber文件 rd437gerber.zip