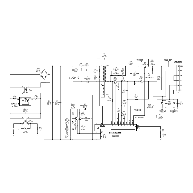
RDR-838-60 W USB PD 3.0使用Innoswitch3-PD Powigan(INN3879C-H801)的3.3 V - 21 V PPS输出的电源
60 W USB PD 3.0电源的参考设计报告,使用Innoswitch3-PD Powigan(INN3879C-H801),使用3.3 V - 21 V PPS输出
- Innoswitch3 -PD-具有集成高压开关,USB PD控制器,同步整流和FluxLink反馈的数字可控CV/CC QR Flyback开关IC
- 精致的遥测和综合保护功能
- 次级控制的所有好处,具有初级法规的简单性
- 对变压器变化不敏感
- 输入-90-265 VAC
- 输出-5 v / 3 a;9 v / 3 a;15 v / 3 a;20 v / 3 a;或3.3 V - 21 V / 3 A PPS输出

