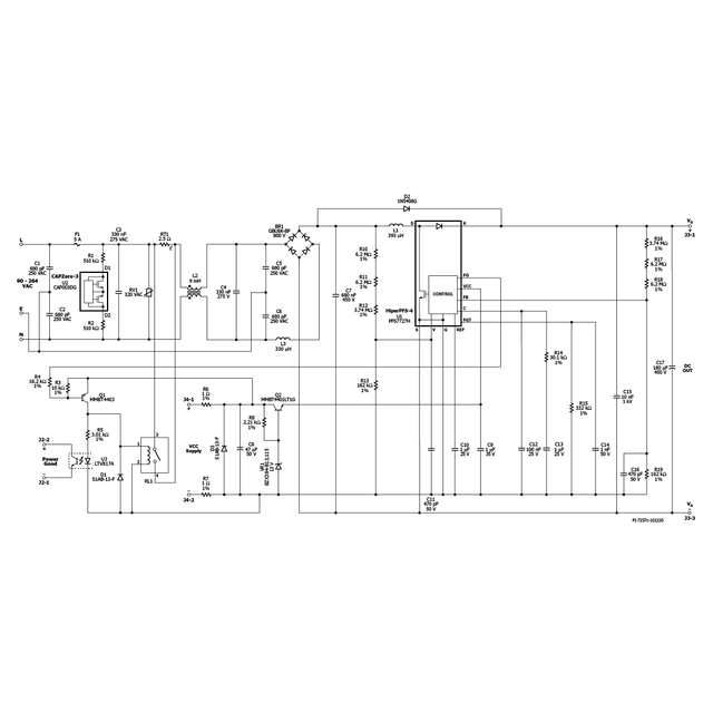
DER-720-275 W PFC前端使用HIPERPFS-4与集成二极管 275 W PFC前端(90 VAC - 264 VAC输入; 385 VDC输出)使用HIPERPFS-4(PFS7727H) 查看PDF 下载PDF 雷电竞靠谱吗 产品 HIPERPFS-4
规格 设计类型 设计示例报告(DER) 拓扑 促进 VOUT 1 385.00 v vin(最小) 90 VIN(最大) 264 CV/CC 简历 效率 94.00% 孤立? 不 输出数量 1 输出功率 275.00 w PFC? 是的 相关零件 PFS7727H Gerber文件 der-720_gerber.zip