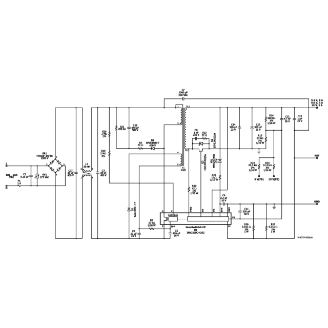
RDR-659 - 30w墙式电源插座采用InnoSwitch3-CP 30w带USB接口的交流墙式电源插座采用InnoSwitch3-CP (INN3268C-H202) 查看pdf 下载pdf RDK可用 应用 产品 InnoSwitch3-CP
产品规格 设计类型 参考设计报告(RDR) 拓扑结构 回扫 输出电压(变量) 5.10 V 输出电压(变量) 9.20 V 输出电压(变量) 15.30 V 电压输出1 5.10 V 电压输出2 9.20 V 电压输出3 15.30 V 文(分钟) 180 马克斯(Vin)的 265 可变功率输出 是的 P(无载) 30.00兆瓦 简历/ CC 简历/ CC 效率 89.00% 是否隔离? 是的 输出数 1 输出功率 30.00 W OVP吗? 是的 相关的部分 INN3268C-H202 Gerber文件 rdr - 659 _gerber.zip