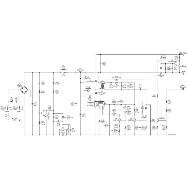
产品规格 设计类型 设计示例报告(DER) 拓扑结构 Buck-Boost RoHS吗? 是的 电压输出1 72.00 V 文(分钟) 90 马克斯(Vin)的 132 双向可控硅变暗? 是的 简历/ CC CC 效率 86.00% 是否隔离? 没有 输出数 1 输出功率 12.00 W PFC吗? 是的 Gerber文件 rd357gerber.zip