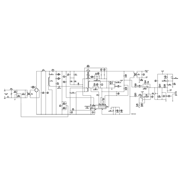
DER-742 - 42w低轮廓高功率因数隔离反激式开关谷填充PFC可调光LED电源,使用LYTSwitch-6
42 W低廓形高功率因数隔离反激式开关山谷填充PFC可调光LED电源(90 VAC - 265 VAC;42 VTYP, 1000 mATYP使用LYTSwitchTM-6 (LYT6068C)
42 W低廓形高功率因数隔离反激式开关山谷填充PFC可调光LED电源(90 VAC - 265 VAC;42 VTYP, 1000 mATYP使用LYTSwitchTM-6 (LYT6068C)
