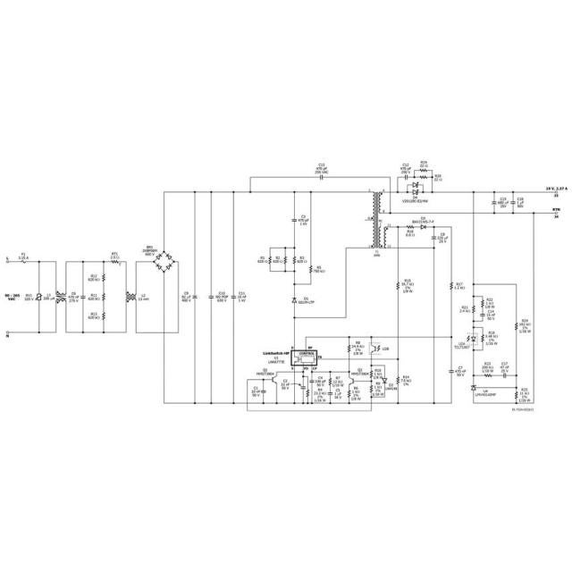
명세서 设计类型 设计示例报告(DER) 토폴로지 回扫 电压输出1 19.00 V 文(分钟) 90 马克斯(Vin)的 265 P(无载) 100.00兆瓦 简历/ CC 简历 效率 88.00% 절연? 是的 输出数 1 출력 전력 45.00 W OVP吗? 是的 PFC吗? 没有 Gerber文件 rd453gerber.zip