SiC MOSFET電源スemcッチの駆動
幅広いSCALEゲトドラバ製品によりSiC MOSFETを制御
シリコンカーバイド(原文如此)MOSFETは高電力インバータアプリケーションのスイッチング性能を大幅に改善し,高いブレークダウン電界強度とキャリアドリフト速度を実現しつつ放熱性を向上させます。ただし,SiCはよりコンパクトな設計でより高速の短絡保護を必要とするため,ゲートドライバにとって,さまざまなSiCアーキテクチャにおける電圧の相違をサポートする必要があるというSiC MOSFET固有の課題が存在します。
SCALE-iDriver SiC-MOSFETゲ,トドラ
πの新しいSIC1182K SCALE-iDriver ICは外部ブーストステージを必要とせず,最高のピーク出力ゲート電流を提供する高効率でシングルチャネルのSiC MOSFETゲートドライバです。現在のSiC MOSFETに必要とされるさまざまなゲートドライブ電圧をサポートするように構成できます。
SCALE-2 SCALE-2 +ゲートドライバコア及びSCALE-iDriverゲートドライバIC
SCALE-2及びSCALE-2 +ゲートドライバコア,SCALE-iDriverゲートドライバICは従来のIGBTやMOSFETなどのSiベースのパワーデバイスの駆動に加えて,SiC MOSFETを駆動できます。
PIのゲトドラバ製品
- SIC1182K- SiC MOSEFTゲトドラバ
- SCALE-iDriver—ゲトドラバIC
- 2 sc0115t-12- scale-2 +ドラeconpバコア
- 2 sc0435t-17- scale-2 +ドラeconpバコア
- 1 sc2060p-17—プレナトランスを付属するscale-2ドラバコア
- 2 sc0650p-17—プレナトランスを付属するscale-2ドラバコア
- 2 sc0535t-17- scale-2ドラeprバコア
- 2 sc0635t-45- scale-2ドラeprバコア
ゲトドラバに対するSiC固有の課題
SiC MOSFETは,サプライヤや世代により,それぞれゲートのターンオン及びターンオフ電圧レベルに関する固有の課題があります。デバイスの中には15 V / -10 Vで動作するものや19 V / 6 Vで動作するものがあります。また,ゲートソースの安全動作領域で動作するようにターンオン電圧の制御を必要とするデバイスがある一方,負のターンオフ電圧制御を必要とするデバイスもあります。
さまざまな仕様に合わせて规模ゲートドライバを調整するために,ゲートのターンオン及びターンオフの正負の電圧レベルを制御する電圧パーティショニング(v字形レギュレータ)を無効にすることができます。詳細にいては,An-1601のアプリケ,ションノ,トを参照してください。

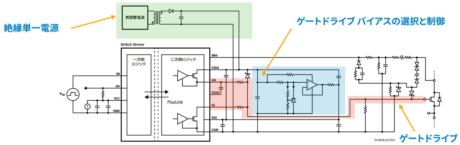
図 2.さまざまなSiC MOSFETのVGS要件を満たすドラ▪▪ブ調整機能を有するSCALE-iDriver

図 3.VEx/VEEピンを使用したさまざまなSCALEゲトドラバのピン接続
SCALEゲトドラバでSic MOSFETを駆動する理由
|
|
Sic1182kの包括的な保護機能
|
|
