DER-636 - 40w多路输出电源,4个LED驱动器,用于计算机显示器,采用InnoSwitch3-MX和InnoMux芯片组
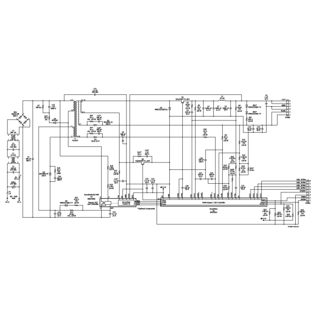
40 W多输出反激转换器(85 VAC - 265 VAC输入;5 v / 3 a cv;(30v - 50v) / 25w LED输出;4个LED串)使用InnoMux (IMX102U)和InnoSwitch3-MX (INN3468C)芯片组
40 W多输出反激转换器(85 VAC - 265 VAC输入;5 v / 3 a cv;(30v - 50v) / 25w LED输出;4个LED串)使用InnoMux (IMX102U)和InnoSwitch3-MX (INN3468C)芯片组
