ソリュションファンダ 技術サポ,ト

LinkSwitch-4

これは,新しい設計には推奨されないアクティブ製品です。
建议选择: LinkSwitch-3 LinkSwitch-HP
アプリケ,ション
工具&电动自行车充电器图标
USB PD适配器图标

製品詳細

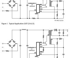
LinkSwitch™4ファミリーのオフライン電源変換用ICは,米国エネルギー省(DoE)及び欧州行動規範(CoC)の厳しい新効率規制を満たす必要のある充電器とアダプタをターゲットにしています。DoE-6とも呼ばれる,新しい能源部規制では,充電器のUSBケーブル端でエネルギー効率適合性測定を実施する必要があります。LinkSwitch-4は、1.5 A または2 A の高電流スマートフォン充電器にも対応し、二次側にショットキー ダイオードを使い、この効率要件を満足します。

LinkSwitch-4ファミリーは,バイポーラジャンクショントランジスタ(是)スイッチ用の高度な適応型ベースエミッタスイッチングドライブスキームを特長としており,電力変換効率を大幅に改善し,二次側のブレークダウンが原因の信頼性に関する懸念を減らします。このデバイスには,効率が最大になるように,かつ高速過渡応答に対応しながらも30 mW未満の無負荷時待機電力の要求を満たすように,擬似共振スイッチングのマルチモードPWM和PFMコントローラが組み込まれています。

製品ハ▪▪ラ▪▪ト

優れた動作特性

  • 適応型ベースエミッタスイッチングドライブ技術により,以下是スイッチング特性を最適化することで是トランジスタの選択における柔軟性を実現
  • BJTの逆バaaplアス安全動作領域(rbsoa)を拡大
  • BJTゲ@ @ンの感度を大幅に低減
  • 最適化された疑似共振スイッチングPWM和PFM制御によって能源部6及びCoC V5 2016に適合
  • 230 VAC入力時に30 mW未満の無負荷時待機電力
  • トランスの▪▪ンダクタンスのバラ▪▪き、入力電圧の変動、ケ▪▪ブルの電圧降下、外付け部品の温度変動を補正
  • 独自のトリミング技術により,高精度なICパラメ,タ補償を実現
  • 最低ピ,ク電流を固定し,負荷過渡応答を改善

強化された動作特性向上

  • 大容量負荷への起動のための简单入门
  • 起動時に大電流を供給するため一定電力
  • 13003 BJTによって効率が向上した13003ドラ同盟国ブ

簡素化されたcv / ccコンバタ

  • フォトカプラ及び二次側cv / cc制御回路が不要
  • 位相補償回路が不要

保護/安全面の特長

  • 単一異常による出力過電圧及び短絡保護

グリ,ンパッケ,ジ

  • ハロゲン化合物不使用,RoHS指令適合パッケ,ジ