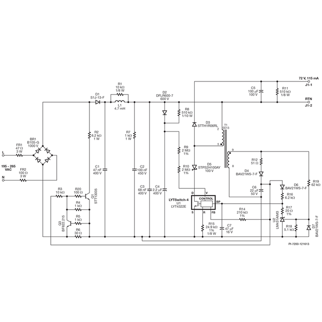
仕様 设计类型 设计示例报告(DER) トポロジー 降压 rohs? 是的 VOUT 1 72.00 v vin(最小) 190 VIN(最大) 265 三位线可调状? 是的 CV/CC CC 效率 84.00% 绝縁型か? 不 输出数量 1 出力 8.00 w PFC? 是的 相关零件 Lyt4322 Gerber文件 rd404gerber.zip