|
產品
|
產品
|
產品規格型錄
|
igbt電壓等級
|
閘極導通電壓
|
閘極關斷電壓
|
最大開關頻率
|
閘極峰值電流 (最大)
|
支持的模組種類
|
支持的模組
|
igbt製造商
|
通道數
|
保形塗層?
|
邏輯輸入電壓
|
保護功能
|
技術
|
接口類型
|
支持的拓撲
|
電源電壓 (典型)
|
輸出功率/通道 - 最大
|
隔離類型
|
隔離技術
|
時間 - 輸出下降
|
時間 - 輸出上升
|
驅動模式
|
igbt的連接類型
|
|---|---|---|---|---|---|---|---|---|---|---|---|---|---|---|---|---|---|---|---|---|---|---|---|---|---|
|
数据表
檢視PDF
|
IGBT电压等级
1200 V
|
栅极接通电压
+ 15.0 V
|
栅极关断电压
——9.9 V
|
|
栅极峰值电流(最大)
+ 20
|
支持的模块类型
IGBT
|
|
|
通道数
2
|
保形涂层吗?
没有
|
|
保护功能
Adv主动夹紧,过电压,短路,UVLO(秒侧),UVLO(pri侧)
|
技术
SCALE-2
|
接口类型
光纤
|
支持拓扑雷竞技官网网站
2级电压源,3级np -箝位- 1型,3级np -箝位- 2型,多级np -箝位
|
供电电压(类型)
15 V
|
功率-输出/通道(最大)
3.0 W
|
隔离型
钢筋
|
隔离技术
电
|
时间-产量下降
25 ns
|
时间-产量上升
7 ns
|
驱动方式
Halfbridge, Direct-Independent
|
IGBT的连接类型
直接
|
||
|
数据表
檢視PDF
|
IGBT电压等级
1700 V
|
栅极接通电压
+ 15.0 V
|
栅极关断电压
——9.9 V
|
|
栅极峰值电流(最大)
+ 20
|
支持的模块类型
IGBT
|
|
|
通道数
2
|
保形涂层吗?
没有
|
|
保护功能
Adv主动夹紧,过电压,短路,UVLO(秒侧),UVLO(pri侧)
|
技术
SCALE-2
|
接口类型
光纤
|
支持拓扑雷竞技官网网站
2级电压源,3级np -箝位- 1型,3级np -箝位- 2型,多级np -箝位
|
供电电压(类型)
15 V
|
功率-输出/通道(最大)
3.0 W
|
隔离型
钢筋
|
隔离技术
电
|
时间-产量下降
25 ns
|
时间-产量上升
7 ns
|
驱动方式
Halfbridge, Direct-Independent
|
IGBT的连接类型
直接
|
||
|
数据表
檢視PDF
|
IGBT电压等级
1700 V
|
栅极接通电压
+ 15.0 V
|
栅极关断电压
——9.9 V
|
最大开关频率
14.5千赫
|
栅极峰值电流(最大)
+ 20
|
支持的模块类型
IGBT
|
支持模块(年代)
2 mbi650vxa - 170 e - 50
|
IGBT制造商
富士
|
通道数
2
|
保形涂层吗?
没有
|
|
保护功能
Adv主动夹紧,过电压,短路,UVLO(秒侧),UVLO(pri侧)
|
技术
SCALE-2
|
接口类型
光纤
|
支持拓扑雷竞技官网网站
2级电压源,3级np -箝位- 1型,3级np -箝位- 2型,多级np -箝位
|
供电电压(类型)
15 V
|
功率-输出/通道(最大)
3.0 W
|
隔离型
钢筋
|
隔离技术
电
|
时间-产量下降
25 ns
|
时间-产量上升
7 ns
|
驱动方式
Halfbridge, Direct-Independent
|
IGBT的连接类型
直接
|
||
|
数据表
檢視PDF
|
IGBT电压等级
1200 V
|
栅极接通电压
+ 15.0 V
|
栅极关断电压
——9.9 V
|
最大开关频率
20.0千赫
|
栅极峰值电流(最大)
+ 20
|
支持的模块类型
IGBT
|
支持模块(年代)
FF1200R12IE5
|
IGBT制造商
英飞凌
|
通道数
2
|
保形涂层吗?
没有
|
|
保护功能
Adv主动夹紧,过电压,短路,UVLO(秒侧),UVLO(pri侧)
|
技术
SCALE-2
|
接口类型
光纤
|
支持拓扑雷竞技官网网站
2级电压源,3级np -箝位- 1型,3级np -箝位- 2型,多级np -箝位
|
供电电压(类型)
15 V
|
功率-输出/通道(最大)
3.0 W
|
隔离型
钢筋
|
隔离技术
电
|
时间-产量下降
25 ns
|
时间-产量上升
7 ns
|
驱动方式
Halfbridge, Direct-Independent
|
IGBT的连接类型
直接
|
||
|
数据表
檢視PDF
|
IGBT电压等级
1700 V
|
栅极接通电压
+ 15.0 V
|
栅极关断电压
——9.9 V
|
最大开关频率
14.5千赫
|
栅极峰值电流(最大)
+ 20
|
支持的模块类型
IGBT
|
支持模块(年代)
2 mbi650vxa - 170 e - 50
|
IGBT制造商
富士
|
通道数
2
|
保形涂层吗?
是的
|
|
保护功能
Adv主动夹紧,过电压,短路,UVLO(秒侧),UVLO(pri侧)
|
技术
SCALE-2
|
接口类型
光纤
|
支持拓扑雷竞技官网网站
2级电压源,3级np -箝位- 1型,3级np -箝位- 2型,多级np -箝位
|
供电电压(类型)
15 V
|
功率-输出/通道(最大)
3.0 W
|
隔离型
钢筋
|
隔离技术
电
|
时间-产量下降
25 ns
|
时间-产量上升
7 ns
|
驱动方式
Halfbridge, Direct-Independent
|
IGBT的连接类型
直接
|
||
|
数据表
檢視PDF
|
IGBT电压等级
1200 V
|
栅极接通电压
+ 15.0 V
|
栅极关断电压
——9.9 V
|
最大开关频率
20.0千赫
|
栅极峰值电流(最大)
+ 20
|
支持的模块类型
IGBT
|
支持模块(年代)
FF1200R12IE5
|
IGBT制造商
英飞凌
|
通道数
2
|
保形涂层吗?
是的
|
|
保护功能
Adv主动夹紧,过电压,短路,UVLO(秒侧),UVLO(pri侧)
|
技术
SCALE-2
|
接口类型
光纤
|
支持拓扑雷竞技官网网站
2级电压源,3级np -箝位- 1型,3级np -箝位- 2型,多级np -箝位
|
供电电压(类型)
15 V
|
功率-输出/通道(最大)
3.0 W
|
隔离型
钢筋
|
隔离技术
电
|
时间-产量下降
25 ns
|
时间-产量上升
7 ns
|
驱动方式
Halfbridge, Direct-Independent
|
IGBT的连接类型
直接
|
||
|
数据表
檢視PDF
|
IGBT电压等级
1200 V
|
栅极接通电压
+ 15.0 V
|
栅极关断电压
——10.4 V
|
|
栅极峰值电流(最大)
+ 20
|
支持的模块类型
IGBT
|
|
|
通道数
2
|
保形涂层吗?
没有
|
逻辑输入电压
5
|
保护功能
Adv主动夹紧,过电压,短路,UVLO(秒侧),UVLO(pri侧)
|
技术
SCALE-2
|
接口类型
电
|
支持拓扑雷竞技官网网站
2级电压源,3级np -箝位- 1型,3级np -箝位- 2型,多级np -箝位
|
供电电压(类型)
15 V
|
功率-输出/通道(最大)
3.0 W
|
隔离型
钢筋
|
隔离技术
电
|
时间-产量下降
25 ns
|
时间-产量上升
7 ns
|
驱动方式
Halfbridge, Direct-Independent
|
IGBT的连接类型
直接
|
||
|
数据表
檢視PDF
|
IGBT电压等级
1700 V
|
栅极接通电压
+ 15.0 V
|
栅极关断电压
——10.4 V
|
|
栅极峰值电流(最大)
+ 20
|
支持的模块类型
IGBT
|
|
|
通道数
2
|
保形涂层吗?
没有
|
逻辑输入电压
5
|
保护功能
Adv主动夹紧,过电压,短路,UVLO(秒侧),UVLO(pri侧)
|
技术
SCALE-2
|
接口类型
电
|
支持拓扑雷竞技官网网站
2级电压源,3级np -箝位- 1型,3级np -箝位- 2型,多级np -箝位
|
供电电压(类型)
15 V
|
功率-输出/通道(最大)
3.0 W
|
隔离型
钢筋
|
隔离技术
电
|
时间-产量下降
25 ns
|
时间-产量上升
7 ns
|
驱动方式
Halfbridge, Direct-Independent
|
IGBT的连接类型
直接
|
||
|
数据表
檢視PDF
|
IGBT电压等级
1700 V
|
栅极接通电压
+ 15.0 V
|
栅极关断电压
——10.4 V
|
最大开关频率
11.0千赫
|
栅极峰值电流(最大)
+ 20
|
支持的模块类型
IGBT
|
支持模块(年代)
2 mbi1000vxb - 170 e - 50
|
IGBT制造商
富士
|
通道数
2
|
保形涂层吗?
没有
|
逻辑输入电压
5
|
保护功能
Adv主动夹紧,过电压,短路,UVLO(秒侧),UVLO(pri侧)
|
技术
SCALE-2
|
接口类型
电
|
支持拓扑雷竞技官网网站
2级电压源,3级np -箝位- 1型,3级np -箝位- 2型,多级np -箝位
|
供电电压(类型)
15 V
|
功率-输出/通道(最大)
3.0 W
|
隔离型
钢筋
|
隔离技术
电
|
时间-产量下降
25 ns
|
时间-产量上升
7 ns
|
驱动方式
Halfbridge, Direct-Independent
|
IGBT的连接类型
直接
|
||
|
数据表
檢視PDF
|
IGBT电压等级
1200 V
|
栅极接通电压
+ 15.0 V
|
栅极关断电压
——10.4 V
|
最大开关频率
8.0千赫
|
栅极峰值电流(最大)
+ 20
|
支持的模块类型
IGBT
|
支持模块(年代)
2 mbi1400vxb - 120 e - 50
|
IGBT制造商
富士
|
通道数
2
|
保形涂层吗?
没有
|
逻辑输入电压
5
|
保护功能
Adv主动夹紧,过电压,短路,UVLO(秒侧),UVLO(pri侧)
|
技术
SCALE-2
|
接口类型
电
|
支持拓扑雷竞技官网网站
2级电压源,3级np -箝位- 1型,3级np -箝位- 2型,多级np -箝位
|
供电电压(类型)
15 V
|
功率-输出/通道(最大)
3.0 W
|
隔离型
钢筋
|
隔离技术
电
|
时间-产量下降
25 ns
|
时间-产量上升
7 ns
|
驱动方式
Halfbridge, Direct-Independent
|
IGBT的连接类型
直接
|
||
|
数据表
檢視PDF
|
IGBT电压等级
1200 V
|
栅极接通电压
+ 15.0 V
|
栅极关断电压
——10.4 V
|
最大开关频率
8.0千赫
|
栅极峰值电流(最大)
+ 20
|
支持的模块类型
IGBT
|
支持模块(年代)
2 mbi1400vxb - 120 p - 50
|
IGBT制造商
富士
|
通道数
2
|
保形涂层吗?
没有
|
逻辑输入电压
5
|
保护功能
Adv主动夹紧,过电压,短路,UVLO(秒侧),UVLO(pri侧)
|
技术
SCALE-2
|
接口类型
电
|
支持拓扑雷竞技官网网站
2级电压源,3级np -箝位- 1型,3级np -箝位- 2型,多级np -箝位
|
供电电压(类型)
15 V
|
功率-输出/通道(最大)
3.0 W
|
隔离型
钢筋
|
隔离技术
电
|
时间-产量下降
25 ns
|
时间-产量上升
7 ns
|
驱动方式
Halfbridge, Direct-Independent
|
IGBT的连接类型
直接
|
||
|
数据表
檢視PDF
|
IGBT电压等级
1700 V
|
栅极接通电压
+ 15.0 V
|
栅极关断电压
——10.4 V
|
最大开关频率
8.0千赫
|
栅极峰值电流(最大)
+ 20
|
支持的模块类型
IGBT
|
支持模块(年代)
2 mbi1400vxb - 170 e - 50
|
IGBT制造商
富士
|
通道数
2
|
保形涂层吗?
没有
|
逻辑输入电压
5
|
保护功能
Adv主动夹紧,过电压,短路,UVLO(秒侧),UVLO(pri侧)
|
技术
SCALE-2
|
接口类型
电
|
支持拓扑雷竞技官网网站
2级电压源,3级np -箝位- 1型,3级np -箝位- 2型,多级np -箝位
|
供电电压(类型)
15 V
|
功率-输出/通道(最大)
3.0 W
|
隔离型
钢筋
|
隔离技术
电
|
时间-产量下降
25 ns
|
时间-产量上升
7 ns
|
驱动方式
Halfbridge, Direct-Independent
|
IGBT的连接类型
直接
|
||
|
数据表
檢視PDF
|
IGBT电压等级
1700 V
|
栅极接通电压
+ 15.0 V
|
栅极关断电压
——10.4 V
|
最大开关频率
9.0千赫
|
栅极峰值电流(最大)
+ 20
|
支持的模块类型
IGBT
|
支持模块(年代)
2 mbi1400vxb - 170 p - 50
|
IGBT制造商
富士
|
通道数
2
|
保形涂层吗?
没有
|
逻辑输入电压
5
|
保护功能
Adv主动夹紧,过电压,短路,UVLO(秒侧),UVLO(pri侧)
|
技术
SCALE-2
|
接口类型
电
|
支持拓扑雷竞技官网网站
2级电压源,3级np -箝位- 1型,3级np -箝位- 2型,多级np -箝位
|
供电电压(类型)
15 V
|
功率-输出/通道(最大)
3.0 W
|
隔离型
钢筋
|
隔离技术
电
|
时间-产量下降
25 ns
|
时间-产量上升
7 ns
|
驱动方式
Halfbridge, Direct-Independent
|
IGBT的连接类型
直接
|
||
|
数据表
檢視PDF
|
IGBT电压等级
1700 V
|
栅极接通电压
+ 15.0 V
|
栅极关断电压
——10.4 V
|
最大开关频率
9.0千赫
|
栅极峰值电流(最大)
+ 20
|
支持的模块类型
IGBT
|
支持模块(年代)
2 mbi1800xxf170-50
|
IGBT制造商
富士
|
通道数
2
|
保形涂层吗?
没有
|
逻辑输入电压
5
|
保护功能
Adv主动夹紧,过电压,短路,UVLO(秒侧),UVLO(pri侧)
|
技术
SCALE-2
|
接口类型
电
|
支持拓扑雷竞技官网网站
2级电压源,3级np -箝位- 1型,3级np -箝位- 2型,多级np -箝位
|
供电电压(类型)
15 V
|
功率-输出/通道(最大)
3.0 W
|
隔离型
钢筋
|
隔离技术
电
|
时间-产量下降
25 ns
|
时间-产量上升
7 ns
|
驱动方式
Halfbridge, Direct-Independent
|
IGBT的连接类型
直接
|
||
|
数据表
檢視PDF
|
IGBT电压等级
1700 V
|
栅极接通电压
+ 15.0 V
|
栅极关断电压
——10.4 V
|
最大开关频率
14.5千赫
|
栅极峰值电流(最大)
+ 20
|
支持的模块类型
IGBT
|
支持模块(年代)
2 mbi650vxa - 170 e - 50
|
IGBT制造商
富士
|
通道数
2
|
保形涂层吗?
没有
|
逻辑输入电压
5
|
保护功能
Adv主动夹紧,过电压,短路,UVLO(秒侧),UVLO(pri侧)
|
技术
SCALE-2
|
接口类型
电
|
支持拓扑雷竞技官网网站
2级电压源,3级np -箝位- 1型,3级np -箝位- 2型,多级np -箝位
|
供电电压(类型)
15 V
|
功率-输出/通道(最大)
3.0 W
|
隔离型
钢筋
|
隔离技术
电
|
时间-产量下降
25 ns
|
时间-产量上升
7 ns
|
驱动方式
Halfbridge, Direct-Independent
|
IGBT的连接类型
直接
|
||
|
数据表
檢視PDF
|
IGBT电压等级
1200 V
|
栅极接通电压
+ 15.0 V
|
栅极关断电压
——10.4 V
|
最大开关频率
12.0千赫
|
栅极峰值电流(最大)
+ 20
|
支持的模块类型
IGBT
|
支持模块(年代)
2 mbi900vxa - 120 e - 50
|
IGBT制造商
富士
|
通道数
2
|
保形涂层吗?
没有
|
逻辑输入电压
5
|
保护功能
Adv主动夹紧,过电压,短路,UVLO(秒侧),UVLO(pri侧)
|
技术
SCALE-2
|
接口类型
电
|
支持拓扑雷竞技官网网站
2级电压源,3级np -箝位- 1型,3级np -箝位- 2型,多级np -箝位
|
供电电压(类型)
15 V
|
功率-输出/通道(最大)
3.0 W
|
隔离型
钢筋
|
隔离技术
电
|
时间-产量下降
25 ns
|
时间-产量上升
7 ns
|
驱动方式
Halfbridge, Direct-Independent
|
IGBT的连接类型
直接
|
||
|
数据表
檢視PDF
|
IGBT电压等级
1200 V
|
栅极接通电压
+ 15.0 V
|
栅极关断电压
——10.4 V
|
最大开关频率
12.0千赫
|
栅极峰值电流(最大)
+ 20
|
支持的模块类型
IGBT
|
支持模块(年代)
2 mbi900vxa - 120 p - 50
|
IGBT制造商
富士
|
通道数
2
|
保形涂层吗?
没有
|
逻辑输入电压
5
|
保护功能
Adv主动夹紧,过电压,短路,UVLO(秒侧),UVLO(pri侧)
|
技术
SCALE-2
|
接口类型
电
|
支持拓扑雷竞技官网网站
2级电压源,3级np -箝位- 1型,3级np -箝位- 2型,多级np -箝位
|
供电电压(类型)
15 V
|
功率-输出/通道(最大)
3.0 W
|
隔离型
钢筋
|
隔离技术
电
|
时间-产量下降
25 ns
|
时间-产量上升
7 ns
|
驱动方式
Halfbridge, Direct-Independent
|
IGBT的连接类型
直接
|
||
|
数据表
檢視PDF
|
IGBT电压等级
1700 V
|
栅极接通电压
+ 15.0 V
|
栅极关断电压
——10.4 V
|
最大开关频率
15.0千赫
|
栅极峰值电流(最大)
+ 20
|
支持的模块类型
IGBT
|
支持模块(年代)
DP1000B1700T103715
|
IGBT制造商
丹佛斯
|
通道数
2
|
保形涂层吗?
没有
|
逻辑输入电压
5
|
保护功能
Adv主动夹紧,过电压,短路,UVLO(秒侧),UVLO(pri侧)
|
技术
SCALE-2
|
接口类型
电
|
支持拓扑雷竞技官网网站
2级电压源,3级np -箝位- 1型,3级np -箝位- 2型,多级np -箝位
|
供电电压(类型)
15 V
|
功率-输出/通道(最大)
3.0 W
|
隔离型
钢筋
|
隔离技术
电
|
时间-产量下降
25 ns
|
时间-产量上升
7 ns
|
驱动方式
Halfbridge, Direct-Independent
|
IGBT的连接类型
直接
|
||
|
数据表
檢視PDF
|
IGBT电压等级
1200 V
|
栅极接通电压
+ 15.0 V
|
栅极关断电压
——10.4 V
|
最大开关频率
16.0千赫
|
栅极峰值电流(最大)
+ 20
|
支持的模块类型
IGBT
|
支持模块(年代)
DP1400B1200T103714
|
IGBT制造商
丹佛斯
|
通道数
2
|
保形涂层吗?
没有
|
逻辑输入电压
5
|
保护功能
Adv主动夹紧,过电压,短路,UVLO(秒侧),UVLO(pri侧)
|
技术
SCALE-2
|
接口类型
电
|
支持拓扑雷竞技官网网站
2级电压源,3级np -箝位- 1型,3级np -箝位- 2型,多级np -箝位
|
供电电压(类型)
15 V
|
功率-输出/通道(最大)
3.0 W
|
隔离型
钢筋
|
隔离技术
电
|
时间-产量下降
25 ns
|
时间-产量上升
7 ns
|
驱动方式
Halfbridge, Direct-Independent
|
IGBT的连接类型
直接
|
||
|
数据表
檢視PDF
|
IGBT电压等级
1700 V
|
栅极接通电压
+ 15.0 V
|
栅极关断电压
——10.4 V
|
最大开关频率
9.0千赫
|
栅极峰值电流(最大)
+ 20
|
支持的模块类型
IGBT
|
支持模块(年代)
DP1400B1700TU103726
|
IGBT制造商
丹佛斯
|
通道数
2
|
保形涂层吗?
没有
|
逻辑输入电压
5
|
保护功能
Adv主动夹紧,过电压,短路,UVLO(秒侧),UVLO(pri侧)
|
技术
SCALE-2
|
接口类型
电
|
支持拓扑雷竞技官网网站
2级电压源,3级np -箝位- 1型,3级np -箝位- 2型,多级np -箝位
|
供电电压(类型)
15 V
|
功率-输出/通道(最大)
3.0 W
|
隔离型
钢筋
|
隔离技术
电
|
时间-产量下降
25 ns
|
时间-产量上升
7 ns
|
驱动方式
Halfbridge, Direct-Independent
|
IGBT的连接类型
直接
|
||
|
数据表
檢視PDF
|
IGBT电压等级
1700 V
|
栅极接通电压
+ 15.0 V
|
栅极关断电压
——10.4 V
|
最大开关频率
13.0千赫
|
栅极峰值电流(最大)
+ 20
|
支持的模块类型
IGBT
|
支持模块(年代)
FF1000R17IE4
|
IGBT制造商
英飞凌
|
通道数
2
|
保形涂层吗?
没有
|
逻辑输入电压
5
|
保护功能
Adv主动夹紧,过电压,短路,UVLO(秒侧),UVLO(pri侧)
|
技术
SCALE-2
|
接口类型
电
|
支持拓扑雷竞技官网网站
2级电压源,3级np -箝位- 1型,3级np -箝位- 2型,多级np -箝位
|
供电电压(类型)
15 V
|
功率-输出/通道(最大)
3.0 W
|
隔离型
钢筋
|
隔离技术
电
|
时间-产量下降
25 ns
|
时间-产量上升
7 ns
|
驱动方式
Halfbridge, Direct-Independent
|
IGBT的连接类型
直接
|
||
|
数据表
檢視PDF
|
IGBT电压等级
1700 V
|
栅极接通电压
+ 15.0 V
|
栅极关断电压
——10.4 V
|
最大开关频率
13.0千赫
|
栅极峰值电流(最大)
+ 20
|
支持的模块类型
IGBT
|
支持模块(年代)
FF1000R17IE4D_B2
|
IGBT制造商
英飞凌
|
通道数
2
|
保形涂层吗?
没有
|
逻辑输入电压
5
|
保护功能
Adv主动夹紧,过电压,短路,UVLO(秒侧),UVLO(pri侧)
|
技术
SCALE-2
|
接口类型
电
|
支持拓扑雷竞技官网网站
2级电压源,3级np -箝位- 1型,3级np -箝位- 2型,多级np -箝位
|
供电电压(类型)
15 V
|
功率-输出/通道(最大)
3.0 W
|
隔离型
钢筋
|
隔离技术
电
|
时间-产量下降
25 ns
|
时间-产量上升
7 ns
|
驱动方式
Halfbridge, Direct-Independent
|
IGBT的连接类型
直接
|
||
|
数据表
檢視PDF
|
IGBT电压等级
1200 V
|
栅极接通电压
+ 15.0 V
|
栅极关断电压
——10.4 V
|
最大开关频率
20.0千赫
|
栅极峰值电流(最大)
+ 20
|
支持的模块类型
IGBT
|
支持模块(年代)
FF1200R12IE5
|
IGBT制造商
英飞凌
|
通道数
2
|
保形涂层吗?
没有
|
逻辑输入电压
5
|
保护功能
Adv主动夹紧,过电压,短路,UVLO(秒侧),UVLO(pri侧)
|
技术
SCALE-2
|
接口类型
电
|
支持拓扑雷竞技官网网站
2级电压源,3级np -箝位- 1型,3级np -箝位- 2型,多级np -箝位
|
供电电压(类型)
15 V
|
功率-输出/通道(最大)
3.0 W
|
隔离型
钢筋
|
隔离技术
电
|
时间-产量下降
25 ns
|
时间-产量上升
7 ns
|
驱动方式
Halfbridge, Direct-Independent
|
IGBT的连接类型
直接
|
||
|
数据表
檢視PDF
|
IGBT电压等级
1200 V
|
栅极接通电压
+ 15.0 V
|
栅极关断电压
——10.4 V
|
最大开关频率
14.0千赫
|
栅极峰值电流(最大)
+ 20
|
支持的模块类型
IGBT
|
支持模块(年代)
FF1400R12IP4
|
IGBT制造商
英飞凌
|
通道数
2
|
保形涂层吗?
没有
|
逻辑输入电压
5
|
保护功能
Adv主动夹紧,过电压,短路,UVLO(秒侧),UVLO(pri侧)
|
技术
SCALE-2
|
接口类型
电
|
支持拓扑雷竞技官网网站
2级电压源,3级np -箝位- 1型,3级np -箝位- 2型,多级np -箝位
|
供电电压(类型)
15 V
|
功率-输出/通道(最大)
3.0 W
|
隔离型
钢筋
|
隔离技术
电
|
时间-产量下降
25 ns
|
时间-产量上升
7 ns
|
驱动方式
Halfbridge, Direct-Independent
|
IGBT的连接类型
直接
|
||
|
数据表
檢視PDF
|
IGBT电压等级
1700 V
|
栅极接通电压
+ 15.0 V
|
栅极关断电压
——10.4 V
|
最大开关频率
10.0千赫
|
栅极峰值电流(最大)
+ 20
|
支持的模块类型
IGBT
|
支持模块(年代)
FF1400R17IP4
|
IGBT制造商
英飞凌
|
通道数
2
|
保形涂层吗?
没有
|
逻辑输入电压
5
|
保护功能
Adv主动夹紧,过电压,短路,UVLO(秒侧),UVLO(pri侧)
|
技术
SCALE-2
|
接口类型
电
|
支持拓扑雷竞技官网网站
2级电压源,3级np -箝位- 1型,3级np -箝位- 2型,多级np -箝位
|
供电电压(类型)
15 V
|
功率-输出/通道(最大)
3.0 W
|
隔离型
钢筋
|
隔离技术
电
|
时间-产量下降
25 ns
|
时间-产量上升
7 ns
|
驱动方式
Halfbridge, Direct-Independent
|
IGBT的连接类型
直接
|
||
|
数据表
檢視PDF
|
IGBT电压等级
1200 V
|
栅极接通电压
+ 15.0 V
|
栅极关断电压
——10.4 V
|
最大开关频率
37.0千赫
|
栅极峰值电流(最大)
+ 20
|
支持的模块类型
IGBT
|
支持模块(年代)
FF450R12IE4
|
IGBT制造商
英飞凌
|
通道数
2
|
保形涂层吗?
没有
|
逻辑输入电压
5
|
保护功能
Adv主动夹紧,过电压,短路,UVLO(秒侧),UVLO(pri侧)
|
技术
SCALE-2
|
接口类型
电
|
支持拓扑雷竞技官网网站
2级电压源,3级np -箝位- 1型,3级np -箝位- 2型,多级np -箝位
|
供电电压(类型)
15 V
|
功率-输出/通道(最大)
3.0 W
|
隔离型
钢筋
|
隔离技术
电
|
时间-产量下降
25 ns
|
时间-产量上升
7 ns
|
驱动方式
Halfbridge, Direct-Independent
|
IGBT的连接类型
直接
|
||
|
数据表
檢視PDF
|
IGBT电压等级
1700 V
|
栅极接通电压
+ 15.0 V
|
栅极关断电压
——10.4 V
|
最大开关频率
28.0千赫
|
栅极峰值电流(最大)
+ 20
|
支持的模块类型
IGBT
|
支持模块(年代)
FF450R17IE4
|
IGBT制造商
英飞凌
|
通道数
2
|
保形涂层吗?
没有
|
逻辑输入电压
5
|
保护功能
Adv主动夹紧,过电压,短路,UVLO(秒侧),UVLO(pri侧)
|
技术
SCALE-2
|
接口类型
电
|
支持拓扑雷竞技官网网站
2级电压源,3级np -箝位- 1型,3级np -箝位- 2型,多级np -箝位
|
供电电压(类型)
15 V
|
功率-输出/通道(最大)
3.0 W
|
隔离型
钢筋
|
隔离技术
电
|
时间-产量下降
25 ns
|
时间-产量上升
7 ns
|
驱动方式
Halfbridge, Direct-Independent
|
IGBT的连接类型
直接
|
||
|
数据表
檢視PDF
|
IGBT电压等级
1200 V
|
栅极接通电压
+ 15.0 V
|
栅极关断电压
——10.4 V
|
最大开关频率
28.0千赫
|
栅极峰值电流(最大)
+ 20
|
支持的模块类型
IGBT
|
支持模块(年代)
FF600R12IE4
|
IGBT制造商
英飞凌
|
通道数
2
|
保形涂层吗?
没有
|
逻辑输入电压
5
|
保护功能
Adv主动夹紧,过电压,短路,UVLO(秒侧),UVLO(pri侧)
|
技术
SCALE-2
|
接口类型
电
|
支持拓扑雷竞技官网网站
2级电压源,3级np -箝位- 1型,3级np -箝位- 2型,多级np -箝位
|
供电电压(类型)
15 V
|
功率-输出/通道(最大)
3.0 W
|
隔离型
钢筋
|
隔离技术
电
|
时间-产量下降
25 ns
|
时间-产量上升
7 ns
|
驱动方式
Halfbridge, Direct-Independent
|
IGBT的连接类型
直接
|
||
|
数据表
檢視PDF
|
IGBT电压等级
1700 V
|
栅极接通电压
+ 15.0 V
|
栅极关断电压
——10.4 V
|
最大开关频率
20.0千赫
|
栅极峰值电流(最大)
+ 20
|
支持的模块类型
IGBT
|
支持模块(年代)
FF650R17IE4
|
IGBT制造商
英飞凌
|
通道数
2
|
保形涂层吗?
没有
|
逻辑输入电压
5
|
保护功能
Adv主动夹紧,过电压,短路,UVLO(秒侧),UVLO(pri侧)
|
技术
SCALE-2
|
接口类型
电
|
支持拓扑雷竞技官网网站
2级电压源,3级np -箝位- 1型,3级np -箝位- 2型,多级np -箝位
|
供电电压(类型)
15 V
|
功率-输出/通道(最大)
3.0 W
|
隔离型
钢筋
|
隔离技术
电
|
时间-产量下降
25 ns
|
时间-产量上升
7 ns
|
驱动方式
Halfbridge, Direct-Independent
|
IGBT的连接类型
直接
|
||
|
数据表
檢視PDF
|
IGBT电压等级
1700 V
|
栅极接通电压
+ 15.0 V
|
栅极关断电压
——10.4 V
|
最大开关频率
20.0千赫
|
栅极峰值电流(最大)
+ 20
|
支持的模块类型
IGBT
|
支持模块(年代)
FF650R17IE4D_B2
|
IGBT制造商
英飞凌
|
通道数
2
|
保形涂层吗?
没有
|
逻辑输入电压
5
|
保护功能
Adv主动夹紧,过电压,短路,UVLO(秒侧),UVLO(pri侧)
|
技术
SCALE-2
|
接口类型
电
|
支持拓扑雷竞技官网网站
2级电压源,3级np -箝位- 1型,3级np -箝位- 2型,多级np -箝位
|
供电电压(类型)
15 V
|
功率-输出/通道(最大)
3.0 W
|
隔离型
钢筋
|
隔离技术
电
|
时间-产量下降
25 ns
|
时间-产量上升
7 ns
|
驱动方式
Halfbridge, Direct-Independent
|
IGBT的连接类型
直接
|
||
|
数据表
檢視PDF
|
IGBT电压等级
1200 V
|
栅极接通电压
+ 15.0 V
|
栅极关断电压
——10.4 V
|
最大开关频率
19.0千赫
|
栅极峰值电流(最大)
+ 20
|
支持的模块类型
IGBT
|
支持模块(年代)
FF900R12IE4
|
IGBT制造商
英飞凌
|
通道数
2
|
保形涂层吗?
没有
|
逻辑输入电压
5
|
保护功能
Adv主动夹紧,过电压,短路,UVLO(秒侧),UVLO(pri侧)
|
技术
SCALE-2
|
接口类型
电
|
支持拓扑雷竞技官网网站
2级电压源,3级np -箝位- 1型,3级np -箝位- 2型,多级np -箝位
|
供电电压(类型)
15 V
|
功率-输出/通道(最大)
3.0 W
|
隔离型
钢筋
|
隔离技术
电
|
时间-产量下降
25 ns
|
时间-产量上升
7 ns
|
驱动方式
Halfbridge, Direct-Independent
|
IGBT的连接类型
直接
|
||
|
数据表
檢視PDF
|
IGBT电压等级
1200 V
|
栅极接通电压
+ 15.0 V
|
栅极关断电压
——10.4 V
|
最大开关频率
20.0千赫
|
栅极峰值电流(最大)
+ 20
|
支持的模块类型
IGBT
|
支持模块(年代)
FF900R12IP4
|
IGBT制造商
英飞凌
|
通道数
2
|
保形涂层吗?
没有
|
逻辑输入电压
5
|
保护功能
Adv主动夹紧,过电压,短路,UVLO(秒侧),UVLO(pri侧)
|
技术
SCALE-2
|
接口类型
电
|
支持拓扑雷竞技官网网站
2级电压源,3级np -箝位- 1型,3级np -箝位- 2型,多级np -箝位
|
供电电压(类型)
15 V
|
功率-输出/通道(最大)
3.0 W
|
隔离型
钢筋
|
隔离技术
电
|
时间-产量下降
25 ns
|
时间-产量上升
7 ns
|
驱动方式
Halfbridge, Direct-Independent
|
IGBT的连接类型
直接
|
||
|
数据表
檢視PDF
|
IGBT电压等级
1700 V
|
栅极接通电压
+ 15.0 V
|
栅极关断电压
——10.4 V
|
最大开关频率
11.0千赫
|
栅极峰值电流(最大)
+ 20
|
支持的模块类型
IGBT
|
支持模块(年代)
2 mbi1000vxb - 170 e - 50
|
IGBT制造商
富士
|
通道数
2
|
保形涂层吗?
是的
|
逻辑输入电压
5
|
保护功能
Adv主动夹紧,过电压,短路,UVLO(秒侧),UVLO(pri侧)
|
技术
SCALE-2
|
接口类型
电
|
支持拓扑雷竞技官网网站
2级电压源,3级np -箝位- 1型,3级np -箝位- 2型,多级np -箝位
|
供电电压(类型)
15 V
|
功率-输出/通道(最大)
3.0 W
|
隔离型
钢筋
|
隔离技术
电
|
时间-产量下降
25 ns
|
时间-产量上升
7 ns
|
驱动方式
Halfbridge, Direct-Independent
|
IGBT的连接类型
直接
|
||
|
数据表
檢視PDF
|
IGBT电压等级
1200 V
|
栅极接通电压
+ 15.0 V
|
栅极关断电压
——10.4 V
|
最大开关频率
8.0千赫
|
栅极峰值电流(最大)
+ 20
|
支持的模块类型
IGBT
|
支持模块(年代)
2 mbi1400vxb - 120 e - 50
|
IGBT制造商
富士
|
通道数
2
|
保形涂层吗?
是的
|
逻辑输入电压
5
|
保护功能
Adv主动夹紧,过电压,短路,UVLO(秒侧),UVLO(pri侧)
|
技术
SCALE-2
|
接口类型
电
|
支持拓扑雷竞技官网网站
2级电压源,3级np -箝位- 1型,3级np -箝位- 2型,多级np -箝位
|
供电电压(类型)
15 V
|
功率-输出/通道(最大)
3.0 W
|
隔离型
钢筋
|
隔离技术
电
|
时间-产量下降
25 ns
|
时间-产量上升
7 ns
|
驱动方式
Halfbridge, Direct-Independent
|
IGBT的连接类型
直接
|
||
|
数据表
檢視PDF
|
IGBT电压等级
1200 V
|
栅极接通电压
+ 15.0 V
|
栅极关断电压
——10.4 V
|
最大开关频率
8.0千赫
|
栅极峰值电流(最大)
+ 20
|
支持的模块类型
IGBT
|
支持模块(年代)
2 mbi1400vxb - 120 p - 50
|
IGBT制造商
富士
|
通道数
2
|
保形涂层吗?
是的
|
逻辑输入电压
5
|
保护功能
Adv主动夹紧,过电压,短路,UVLO(秒侧),UVLO(pri侧)
|
技术
SCALE-2
|
接口类型
电
|
支持拓扑雷竞技官网网站
2级电压源,3级np -箝位- 1型,3级np -箝位- 2型,多级np -箝位
|
供电电压(类型)
15 V
|
功率-输出/通道(最大)
3.0 W
|
隔离型
钢筋
|
隔离技术
电
|
时间-产量下降
25 ns
|
时间-产量上升
7 ns
|
驱动方式
Halfbridge, Direct-Independent
|
IGBT的连接类型
直接
|
||
|
数据表
檢視PDF
|
IGBT电压等级
1700 V
|
栅极接通电压
+ 15.0 V
|
栅极关断电压
——10.4 V
|
最大开关频率
8.0千赫
|
栅极峰值电流(最大)
+ 20
|
支持的模块类型
IGBT
|
支持模块(年代)
2 mbi1400vxb - 170 e - 50
|
IGBT制造商
富士
|
通道数
2
|
保形涂层吗?
是的
|
逻辑输入电压
5
|
保护功能
Adv主动夹紧,过电压,短路,UVLO(秒侧),UVLO(pri侧)
|
技术
SCALE-2
|
接口类型
电
|
支持拓扑雷竞技官网网站
2级电压源,3级np -箝位- 1型,3级np -箝位- 2型,多级np -箝位
|
供电电压(类型)
15 V
|
功率-输出/通道(最大)
3.0 W
|
隔离型
钢筋
|
隔离技术
电
|
时间-产量下降
25 ns
|
时间-产量上升
7 ns
|
驱动方式
Halfbridge, Direct-Independent
|
IGBT的连接类型
直接
|
||
|
数据表
檢視PDF
|
IGBT电压等级
1700 V
|
栅极接通电压
+ 15.0 V
|
栅极关断电压
——10.4 V
|
最大开关频率
9.0千赫
|
栅极峰值电流(最大)
+ 20
|
支持的模块类型
IGBT
|
支持模块(年代)
2 mbi1400vxb - 170 p - 50
|
IGBT制造商
富士
|
通道数
2
|
保形涂层吗?
是的
|
逻辑输入电压
5
|
保护功能
Adv主动夹紧,过电压,短路,UVLO(秒侧),UVLO(pri侧)
|
技术
SCALE-2
|
接口类型
电
|
支持拓扑雷竞技官网网站
2级电压源,3级np -箝位- 1型,3级np -箝位- 2型,多级np -箝位
|
供电电压(类型)
15 V
|
功率-输出/通道(最大)
3.0 W
|
隔离型
钢筋
|
隔离技术
电
|
时间-产量下降
25 ns
|
时间-产量上升
7 ns
|
驱动方式
Halfbridge, Direct-Independent
|
IGBT的连接类型
直接
|
||
|
数据表
檢視PDF
|
IGBT电压等级
1700 V
|
栅极接通电压
+ 15.0 V
|
栅极关断电压
——10.4 V
|
最大开关频率
9.0千赫
|
栅极峰值电流(最大)
+ 20
|
支持的模块类型
IGBT
|
支持模块(年代)
2 mbi1800xxf170-50
|
IGBT制造商
富士
|
通道数
2
|
保形涂层吗?
是的
|
逻辑输入电压
5
|
保护功能
Adv主动夹紧,过电压,短路,UVLO(秒侧),UVLO(pri侧)
|
技术
SCALE-2
|
接口类型
电
|
支持拓扑雷竞技官网网站
2级电压源,3级np -箝位- 1型,3级np -箝位- 2型,多级np -箝位
|
供电电压(类型)
15 V
|
功率-输出/通道(最大)
3.0 W
|
隔离型
钢筋
|
隔离技术
电
|
时间-产量下降
25 ns
|
时间-产量上升
7 ns
|
驱动方式
Halfbridge, Direct-Independent
|
IGBT的连接类型
直接
|
||
|
数据表
檢視PDF
|
IGBT电压等级
1700 V
|
栅极接通电压
+ 15.0 V
|
栅极关断电压
——10.4 V
|
最大开关频率
14.5千赫
|
栅极峰值电流(最大)
+ 20
|
支持的模块类型
IGBT
|
支持模块(年代)
2 mbi650vxa - 170 e - 50
|
IGBT制造商
富士
|
通道数
2
|
保形涂层吗?
是的
|
逻辑输入电压
5
|
保护功能
Adv主动夹紧,过电压,短路,UVLO(秒侧),UVLO(pri侧)
|
技术
SCALE-2
|
接口类型
电
|
支持拓扑雷竞技官网网站
2级电压源,3级np -箝位- 1型,3级np -箝位- 2型,多级np -箝位
|
供电电压(类型)
15 V
|
功率-输出/通道(最大)
3.0 W
|
隔离型
钢筋
|
隔离技术
电
|
时间-产量下降
25 ns
|
时间-产量上升
7 ns
|
驱动方式
Halfbridge, Direct-Independent
|
IGBT的连接类型
直接
|
||
|
数据表
檢視PDF
|
IGBT电压等级
1200 V
|
栅极接通电压
+ 15.0 V
|
栅极关断电压
——10.4 V
|
最大开关频率
12.0千赫
|
栅极峰值电流(最大)
+ 20
|
支持的模块类型
IGBT
|
支持模块(年代)
2 mbi900vxa - 120 e - 50
|
IGBT制造商
富士
|
通道数
2
|
保形涂层吗?
是的
|
逻辑输入电压
5
|
保护功能
Adv主动夹紧,过电压,短路,UVLO(秒侧),UVLO(pri侧)
|
技术
SCALE-2
|
接口类型
电
|
支持拓扑雷竞技官网网站
2级电压源,3级np -箝位- 1型,3级np -箝位- 2型,多级np -箝位
|
供电电压(类型)
15 V
|
功率-输出/通道(最大)
3.0 W
|
隔离型
钢筋
|
隔离技术
电
|
时间-产量下降
25 ns
|
时间-产量上升
7 ns
|
驱动方式
Halfbridge, Direct-Independent
|
IGBT的连接类型
直接
|
||
|
数据表
檢視PDF
|
IGBT电压等级
1200 V
|
栅极接通电压
+ 15.0 V
|
栅极关断电压
——10.4 V
|
最大开关频率
12.0千赫
|
栅极峰值电流(最大)
+ 20
|
支持的模块类型
IGBT
|
支持模块(年代)
2 mbi900vxa - 120 p - 50
|
IGBT制造商
富士
|
通道数
2
|
保形涂层吗?
是的
|
逻辑输入电压
5
|
保护功能
Adv主动夹紧,过电压,短路,UVLO(秒侧),UVLO(pri侧)
|
技术
SCALE-2
|
接口类型
电
|
支持拓扑雷竞技官网网站
2级电压源,3级np -箝位- 1型,3级np -箝位- 2型,多级np -箝位
|
供电电压(类型)
15 V
|
功率-输出/通道(最大)
3.0 W
|
隔离型
钢筋
|
隔离技术
电
|
时间-产量下降
25 ns
|
时间-产量上升
7 ns
|
驱动方式
Halfbridge, Direct-Independent
|
IGBT的连接类型
直接
|
||
|
数据表
檢視PDF
|
IGBT电压等级
1700 V
|
栅极接通电压
+ 15.0 V
|
栅极关断电压
——10.4 V
|
最大开关频率
15.0千赫
|
栅极峰值电流(最大)
+ 20
|
支持的模块类型
IGBT
|
支持模块(年代)
DP1000B1700T103715
|
IGBT制造商
丹佛斯
|
通道数
2
|
保形涂层吗?
是的
|
逻辑输入电压
5
|
保护功能
Adv主动夹紧,过电压,短路,UVLO(秒侧),UVLO(pri侧)
|
技术
SCALE-2
|
接口类型
电
|
支持拓扑雷竞技官网网站
2级电压源,3级np -箝位- 1型,3级np -箝位- 2型,多级np -箝位
|
供电电压(类型)
15 V
|
功率-输出/通道(最大)
3.0 W
|
隔离型
钢筋
|
隔离技术
电
|
时间-产量下降
25 ns
|
时间-产量上升
7 ns
|
驱动方式
Halfbridge, Direct-Independent
|
IGBT的连接类型
直接
|
||
|
数据表
檢視PDF
|
IGBT电压等级
1200 V
|
栅极接通电压
+ 15.0 V
|
栅极关断电压
——10.4 V
|
最大开关频率
16.0千赫
|
栅极峰值电流(最大)
+ 20
|
支持的模块类型
IGBT
|
支持模块(年代)
DP1400B1200T103714
|
IGBT制造商
丹佛斯
|
通道数
2
|
保形涂层吗?
是的
|
逻辑输入电压
5
|
保护功能
Adv主动夹紧,过电压,短路,UVLO(秒侧),UVLO(pri侧)
|
技术
SCALE-2
|
接口类型
电
|
支持拓扑雷竞技官网网站
2级电压源,3级np -箝位- 1型,3级np -箝位- 2型,多级np -箝位
|
供电电压(类型)
15 V
|
功率-输出/通道(最大)
3.0 W
|
隔离型
钢筋
|
隔离技术
电
|
时间-产量下降
25 ns
|
时间-产量上升
7 ns
|
驱动方式
Halfbridge, Direct-Independent
|
IGBT的连接类型
直接
|
||
|
数据表
檢視PDF
|
IGBT电压等级
1700 V
|
栅极接通电压
+ 15.0 V
|
栅极关断电压
——10.4 V
|
最大开关频率
9.0千赫
|
栅极峰值电流(最大)
+ 20
|
支持的模块类型
IGBT
|
支持模块(年代)
DP1400B1700TU103726
|
IGBT制造商
丹佛斯
|
通道数
2
|
保形涂层吗?
是的
|
逻辑输入电压
5
|
保护功能
Adv主动夹紧,过电压,短路,UVLO(秒侧),UVLO(pri侧)
|
技术
SCALE-2
|
接口类型
电
|
支持拓扑雷竞技官网网站
2级电压源,3级np -箝位- 1型,3级np -箝位- 2型,多级np -箝位
|
供电电压(类型)
15 V
|
功率-输出/通道(最大)
3.0 W
|
隔离型
钢筋
|
隔离技术
电
|
时间-产量下降
25 ns
|
时间-产量上升
7 ns
|
驱动方式
Halfbridge, Direct-Independent
|
IGBT的连接类型
直接
|
||
|
数据表
檢視PDF
|
IGBT电压等级
1700 V
|
栅极接通电压
+ 15.0 V
|
栅极关断电压
——10.4 V
|
最大开关频率
13.0千赫
|
栅极峰值电流(最大)
+ 20
|
支持的模块类型
IGBT
|
支持模块(年代)
FF1000R17IE4
|
IGBT制造商
英飞凌
|
通道数
2
|
保形涂层吗?
是的
|
逻辑输入电压
5
|
保护功能
Adv主动夹紧,过电压,短路,UVLO(秒侧),UVLO(pri侧)
|
技术
SCALE-2
|
接口类型
电
|
支持拓扑雷竞技官网网站
2级电压源,3级np -箝位- 1型,3级np -箝位- 2型,多级np -箝位
|
供电电压(类型)
15 V
|
功率-输出/通道(最大)
3.0 W
|
隔离型
钢筋
|
隔离技术
电
|
时间-产量下降
25 ns
|
时间-产量上升
7 ns
|
驱动方式
Halfbridge, Direct-Independent
|
IGBT的连接类型
直接
|
||
|
数据表
檢視PDF
|
IGBT电压等级
1200 V
|
栅极接通电压
+ 15.0 V
|
栅极关断电压
——10.4 V
|
最大开关频率
20.0千赫
|
栅极峰值电流(最大)
+ 20
|
支持的模块类型
IGBT
|
支持模块(年代)
FF1200R12IE5
|
IGBT制造商
英飞凌
|
通道数
2
|
保形涂层吗?
是的
|
逻辑输入电压
5
|
保护功能
Adv主动夹紧,过电压,短路,UVLO(秒侧),UVLO(pri侧)
|
技术
SCALE-2
|
接口类型
电
|
支持拓扑雷竞技官网网站
2级电压源,3级np -箝位- 1型,3级np -箝位- 2型,多级np -箝位
|
供电电压(类型)
15 V
|
功率-输出/通道(最大)
3.0 W
|
隔离型
钢筋
|
隔离技术
电
|
时间-产量下降
25 ns
|
时间-产量上升
7 ns
|
驱动方式
Halfbridge, Direct-Independent
|
IGBT的连接类型
直接
|
||
|
数据表
檢視PDF
|
IGBT电压等级
1200 V
|
栅极接通电压
+ 15.0 V
|
栅极关断电压
——10.4 V
|
最大开关频率
14.0千赫
|
栅极峰值电流(最大)
+ 20
|
支持的模块类型
IGBT
|
支持模块(年代)
FF1400R12IP4
|
IGBT制造商
英飞凌
|
通道数
2
|
保形涂层吗?
是的
|
逻辑输入电压
5
|
保护功能
Adv主动夹紧,过电压,短路,UVLO(秒侧),UVLO(pri侧)
|
技术
SCALE-2
|
接口类型
电
|
支持拓扑雷竞技官网网站
2级电压源,3级np -箝位- 1型,3级np -箝位- 2型,多级np -箝位
|
供电电压(类型)
15 V
|
功率-输出/通道(最大)
3.0 W
|
隔离型
钢筋
|
隔离技术
电
|
时间-产量下降
25 ns
|
时间-产量上升
7 ns
|
驱动方式
Halfbridge, Direct-Independent
|
IGBT的连接类型
直接
|
||
|
数据表
檢視PDF
|
IGBT电压等级
1700 V
|
栅极接通电压
+ 15.0 V
|
栅极关断电压
——10.4 V
|
最大开关频率
10.0千赫
|
栅极峰值电流(最大)
+ 20
|
支持的模块类型
IGBT
|
支持模块(年代)
FF1400R17IP4
|
IGBT制造商
英飞凌
|
通道数
2
|
保形涂层吗?
是的
|
逻辑输入电压
5
|
保护功能
Adv主动夹紧,过电压,短路,UVLO(秒侧),UVLO(pri侧)
|
技术
SCALE-2
|
接口类型
电
|
支持拓扑雷竞技官网网站
2级电压源,3级np -箝位- 1型,3级np -箝位- 2型,多级np -箝位
|
供电电压(类型)
15 V
|
功率-输出/通道(最大)
3.0 W
|
隔离型
钢筋
|
隔离技术
电
|
时间-产量下降
25 ns
|
时间-产量上升
7 ns
|
驱动方式
Halfbridge, Direct-Independent
|
IGBT的连接类型
直接
|
||
|
数据表
檢視PDF
|
IGBT电压等级
1200 V
|
栅极接通电压
+ 15.0 V
|
栅极关断电压
——10.4 V
|
最大开关频率
37.0千赫
|
栅极峰值电流(最大)
+ 20
|
支持的模块类型
IGBT
|
支持模块(年代)
FF450R12IE4
|
IGBT制造商
英飞凌
|
通道数
2
|
保形涂层吗?
是的
|
逻辑输入电压
5
|
保护功能
Adv主动夹紧,过电压,短路,UVLO(秒侧),UVLO(pri侧)
|
技术
SCALE-2
|
接口类型
电
|
支持拓扑雷竞技官网网站
2级电压源,3级np -箝位- 1型,3级np -箝位- 2型,多级np -箝位
|
供电电压(类型)
15 V
|
功率-输出/通道(最大)
3.0 W
|
隔离型
钢筋
|
隔离技术
电
|
时间-产量下降
25 ns
|
时间-产量上升
7 ns
|
驱动方式
Halfbridge, Direct-Independent
|
IGBT的连接类型
直接
|
||
|
数据表
檢視PDF
|
IGBT电压等级
1700 V
|
栅极接通电压
+ 15.0 V
|
栅极关断电压
——10.4 V
|
最大开关频率
28.0千赫
|
栅极峰值电流(最大)
+ 20
|
支持的模块类型
IGBT
|
支持模块(年代)
FF450R17IE4
|
IGBT制造商
英飞凌
|
通道数
2
|
保形涂层吗?
是的
|
逻辑输入电压
5
|
保护功能
Adv主动夹紧,过电压,短路,UVLO(秒侧),UVLO(pri侧)
|
技术
SCALE-2
|
接口类型
电
|
支持拓扑雷竞技官网网站
2级电压源,3级np -箝位- 1型,3级np -箝位- 2型,多级np -箝位
|
供电电压(类型)
15 V
|
功率-输出/通道(最大)
3.0 W
|
隔离型
钢筋
|
隔离技术
电
|
时间-产量下降
25 ns
|
时间-产量上升
7 ns
|
驱动方式
Halfbridge, Direct-Independent
|
IGBT的连接类型
直接
|
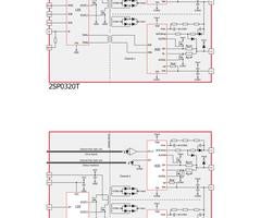
2SP0320专门针对PrimePACK™IGBT模块。作为SCALE-2即插即用驱动器家族的一员,它满足了行业对优化电气性能和抗干扰性的要求。
与传统解决方案相比,高度集成的SCALE-2芯片组减少了80%的组件数量,从而显著提高了可靠性并降低了成本。
使用SCALE-2技术也意味着2SP0320器件是完整的双通道IGBT驱动器,配备DC/DC转换器,短路保护,高级主动夹持和电源电压监测。
用户只需将其焊接到相应的IGBT模块上即可。该系统可以立即投入使用,无需进一步的开发或匹配的工程工作。这使得短的设计周期得以实现,而不会影响整个系统的效率。
嵌入式并行能力允许简单的逆变器设计,以获得更高的额定功率。
为所有IGBT模块类型提供了专门适应的驱动程序。所有驱动器均可使用电气和光纤接口。
界面选项
2SP0320驱动系列具有一个电气接口和各种光纤接口。
电气接口:2SP0320T
DIC20电气接口非常简单,易于使用。驱动程序有以下终端:
所有输入都是防静电保护的,所有数字输入都具有施密特触发特性。
光纤接口:2SP0320V和2SP0320S
光纤链路用于命令和状态反馈信号的电气绝缘。有两个版本可供选择:
具体操作请参见产品文档。
驱动并联igbt
驱动程序允许任意数量的PrimePACK模块与单个驱动程序直接并行连接。这一全新的开创性概念首次使构建具有离散模块和并行连接igbt的转换器系列成为现实,而无需任何额外的开发工作。
PrimePACKTM和等效igbt的终极驱动平台,具有电气或光纤接口。由于SCALE-2芯片组,组件数量减少了80%。
