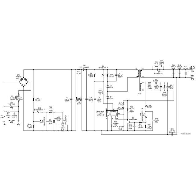
產品規格 設計類型 设计示例报告(DER) 拓撲結構 回扫 RoHS吗? 是的 电压输出1 36.00 V 文(分钟) 90 马克斯(Vin)的 132 双向可控硅变暗? 是的 效率 86.00% 隔離式? 是的 输出数 1 輸出功率 20.00 W PFC吗? 是的 相关的部分 LYT4317 Gerber文件 rd350gerber.zip