解决方案查找器 技術支援

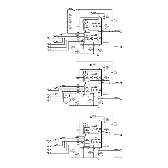
DER-653 - 300w三相逆变器使用BridgeSwitch电机驱动器和LinkSwitch-TN2

300w三相逆变器使用BridgeSwitch电机驱动IC (BRD1165C)和LinkSwitch-TN2 (LNK3204D)与东芝TMP375FSDMG矢量发动机微控制器(VEMCU)在FOC操作(340 VDC输入;0.9RMS电机相电流;4极无刷无传感器电机5000 RPM)

應用

无刷直流电机图标